高鹽廢水的產生行業主要是石油化工、精細化工、制藥企業等,高鹽廢水目前也是最難處理的一種化工廢水。高鹽廢水的組成成份比較多,比如各類的易揮發、易結焦物質。處理高鹽廢水的關鍵是對蒸發單位的確立。安峰環保的工程技術,就給大家說說高鹽廢水處理的工藝流程,并分析高鹽廢水的含鹽量高,不能直接進行生化處理后,如何進行預處理。
  化工高鹽廢水常規處理路線為:預處理→蒸發析鹽→冷凝水深度處理→達標排放或者回用
  由于廢水中含有高有機、易結焦的組分,在進入蒸發之前要進行預處理,將易結焦有機物進行分離之后再進入蒸發單元處理,預處理需要投入大量的試驗研究,確定合適的解決方法是蒸發單元能否長期穩定運行的關鍵。
  蒸發單元是高鹽廢水處理的核心流程,蒸發有多種模式,目前廣泛應用的蒸發系統分為三類:
  1、多效蒸發系統(MultipleEffectEvaporation,MEE):基于蒸汽的梯級利用將幾個蒸發器連接起來操作。
  2、熱泵蒸發系統:借助外界的功或熱來提高蒸汽品位進行二次利用。
  熱力式蒸汽再壓縮蒸發系統(ThermalVaporRecompressionEvaporation,TVR)
  機械式蒸汽再壓縮蒸發系統(MechanicalVaporRecompressionEvaporation,MVR)
  多效蒸發系統
多效蒸發(MEE)是基于蒸汽的梯級利用將幾個蒸發器連接起來操作,以提高熱能利用效率。MEE的優點是進水預處理簡單;應用較靈活,既可以單獨使用,也可以與其它方法聯合使用;系統操作安全可靠。

  雙效降膜蒸發器的流程示意圖
1是進料稀溶液,2是完成液,3是生蒸汽,4是二效蒸汽,A1和A2分別是一效和二效的加熱器,B1和B2分別是一效和二效的分離器。

  多效蒸發器的流程示意圖
  熱力式蒸汽再壓縮蒸發
熱力蒸氣再壓縮蒸發根據熱泵原理,生蒸汽經過文丘里蒸氣噴射式熱泵,以少量高壓蒸汽為動力將部分二次蒸汽壓縮并混合后一起進入加熱室作加熱蒸汽用。

  熱力式蒸汽再壓縮蒸發流程示意圖
  根據其效能特點,使用一臺熱力蒸汽壓縮器所節約的能源與增加一效蒸發器所節約的能源相當,因此應用較為廣泛。
  在設備上TVR較多效蒸發系統只增加了蒸汽噴射泵,多效+蒸汽噴射泵組合比單純的多效蒸發更節能。TVR技術根據噴射泵原理操作,沒有活動部件,設計簡單、有效,并能確保操作的高度可靠性。熱力蒸汽壓縮器在運行過程中仍需連續供給一定數量的鮮蒸汽。
  機械式蒸汽再壓縮蒸發系統
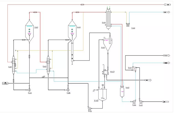
機械式蒸汽再壓縮又稱機械熱壓縮。蒸發原理是利用軸流式或離心式壓縮機對二次蒸汽進行壓縮后進入加熱室作加熱蒸汽用。

在裝置啟動過程中需供給生蒸氣,正常運行后不再需要生蒸氣的供給,因此提高了熱效率,減少了對外部熱源的需求,降低了能耗。MVR采用單效操作,料液停留時間短,能耗和運行成本低,占地面積小,公用工程配套少。

  原料經過預熱器預熱后狀態為A(a),此時料液處于飽和液體狀態;預熱后的料液進入蒸發器的蒸發室內吸收熱量沸騰氣化產生二次蒸汽,氣液混合物經過氣液分離器的分離作用,濃縮液從出料泵流出,得到的二次蒸汽進入羅茨壓縮機的入口處,此時的蒸汽是在特定蒸發壓強下的飽和蒸汽,其氣體狀態參數為B(b);
  二次蒸汽在壓縮機的作用下,溫度升高,壓強增大,蒸汽的熱焓提高,理想情況(等熵壓縮)的狀態為C(c),實際蒸汽壓縮過程中是不可逆過程而且系統不是完全絕熱的,其狀態參數是具有更高過熱度的狀態D(d),此時的過熱蒸汽先經過飽和化處理后進入蒸發器的殼程里冷凝放熱得到飽和冷凝液,其狀態為E(e)。
  冷凝液先存在暫存罐中然后由泵引出對原料進行預熱,實現能源綜合利用。系統在開始運行時需要向蒸發器殼程里通入新鮮蒸汽,一旦系統運行穩定后,便可利用壓縮蒸汽的冷凝潛熱維持系統的熱量平衡,只需要在熱量損失較多時補充少量新鮮蒸汽即可。

從溫熵圖可以看出,整個MVR的熱泵系統中處在2種壓強和3個溫度狀態下,壓強變化是蒸汽壓縮前的蒸發壓強和蒸汽壓縮后的冷凝壓強,溫度變化主要是蒸發溫度,壓縮后的過熱溫度以及壓縮飽和溫度。

  從焓熵圖可知,MVR系統得以運行的實質就是利用壓縮機做少量的功來提高蒸汽的熱焓,進而利用壓縮蒸汽釋放大量的冷凝潛熱重新加熱原料。由于氣化潛熱(或者冷凝潛熱)占蒸汽的熱焓值絕大部分,因此能夠充分利用蒸汽的潛熱是熱泵系統正常運行的關鍵。
  MVR主要的技術特點就是將產生的二次蒸汽全部通過壓縮機壓縮,使蒸汽的壓力和溫度提高,獲得高品味的蒸汽,然后重新作為加熱蒸汽。因此,壓縮階段是整個MVR蒸發系統的心臟。
  這三類蒸發系統在技術上沒有先進和落后之分,技術都比較成熟,根據地域、能源、物性和運行工況等多重因素來選擇經濟適用的蒸發模式。
工業廢水中的含鹽量普遍比較高,安峰環保對于高鹽廢水處理時,一般根據水質的不同,為客戶提供多效蒸發(MEE)、蒸汽熱壓縮蒸發(TVR)和機械式再壓縮蒸發(MVR)等工藝系統及配套裝置;根據廢水中鹽的特征,通過優化設計和控制設備運行參數,有效解決蒸發不出鹽或出鹽時堵管等技術難題,確保系統低能耗穩定運行。
